
Chap.9 
タイマ
この章では、タイマについて解説します。
9.1 通常のコイルとタイマの違い
いままで、何度も扱ってきたコイルは、励磁されると、ただちにONとなる電気部品またはラダー図上のシンボルでした。
これに対して、タイマは、励磁されてもただちにONとならず、一定時間経過後にONとなります。
図9.1に、通常のコイルとタイマのラダー図を示します。
![]()  | 
タイマには、タイマ番号以外に引数(赤色枠内の数値)が付いています。
この引数を、設定値といいます。
タイマは、励磁される(M0がONになる)と、設定値×タイムベース時間経過後にONとなります。
(なお、タイマの書式はPLCによってまちまちで、タイムベースを明示したり、直接時間を記述したりする機種もあります。)
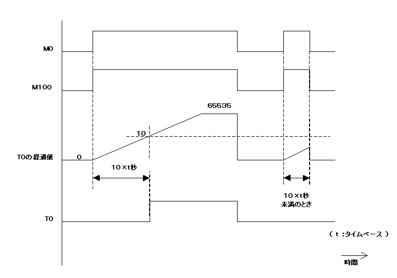
このラダー図を実行したときのタイムチャートを図9.2に示します。
![]()  | 
このタイムチャートを見てわかるように、タイマには次の性質があります。
・タイマは励磁されなくなる(M0がOFFになる)と、ただちにOFFとなり、経過値は0に戻る。
・タイマの励磁時間が設定値未満の場合、タイマはOFFのままである。
このタイマの動作をLD Cv!のシミュレーション機能で確認してみます。
図9.1のラダー図をLD Cv!上でシミュレーションさせるために、図9.3のようにラダー図を追加しました。
(赤色枠はタイムベース生成、青色枠はタイマの動作確認、水色枠はプログラム末のエンドです。)
![]()  | 
このラダー図をLD Cv!上でシミュレーションを実行し、M0をON/OFFして、動作を確認してみてください。(図9.4)
![]()  | 
9.2 タイマの応用例
ここでは、タイマを使った応用例を説明します。
この応用例をLD Cv!で動作確認する場合は、図9.3と同様、赤色枠のタイムベース生成と、水色枠のプログラム末のエンドを、各ラダー図に追加してください。
(1)OFF→ONのチャタリング除去、誤動作防止
外部からの入力信号に機械的なスイッチを使うと、入力信号の切換え時にチャタリングが発生します。
チャタリングは外部回路で除去可能ですが、OFF→ONの切換え時のチャタリングに関しては、図9.5のようにラダー図でも除去することが可能です。
![]()  | 
この図で、入力信号(M0)にチャタリングがある場合に、M100のように入力信号をそのまま使うとチャタリングを一緒に取り込んでしまします。
これに対して、M101のように入力信号(M0)をタイマ(T0)を介して使うと、タイマの設定時間未満のパルス(チャタリング)を除去できます。
(ただし、ON→OFFの切換え時のチャタリングは除去不可)
この回路は、プッシュボタンの押下(トリガ)で機械を運転開始させるような場合、瞬間的なノイズでプッシュボタンが押下されたと判断して機械が誤って運転するのを防止するのにも有効です。
(2)一定時間経過後にOFF
いままで説明してきたタイマは、励磁されてもただちにONとならず、一定時間経過後にONとなるタイマでした。
このようなタイマを、オンディレイタイマと呼びます。
オンディレイタイマを使って、一定時間経過後にOFFとなるようなタイマを作ることができます。
図9.6では、M0を励磁するとただちにONとなり、一定時間経過後にOFFとなります。
![]()  | 
(3)ワンショット
パルスを入力すると、そのパルス幅の長短に関らず一定時間ONするラダー図です。
M0に対して、M100はワンショットとして動作します。
![]()  | 
この回路では、過去にパルスがあったことを記憶しておくために、自己保持回路を使っています。
 次回は、カウンタについて解説する予定です。